Beiträge von Seppel92

    Hallo

    ich habe meine Heizung nun ja vorerst danke euch zum laufen bekommen.

    Mein Brenner springt nun im Sommer ohne das wir Wasser entnehmen 2 mal am Tag für 15 min an nur um die Verlustwärme zu decken. das ist ca. 1l Öl

    Läuft die Zirkulation, springt er ca. 4 mal am Tag für 15 min an. Das ist mir zu viel

    Nun habe ich 10 Solarplatten geschenkt bekommen und bin für 200 Euro hier dran gekommen Refusol DC Heizstab . Hier ist keine Anmeldung und kein Elektriker nötig. Das Ganze ist also sehr sehr einfach gehalten.

    Ich würde also 6 meiner Platten nutzen können um direkt Energie in den Speicher zu schicken. Natürlich ist das nur die Übergangslösung bis unser Dach nebst 10kW PV und Wärmepumpe kommt. Aber das dauert nun mal noch mindestens diesen und wahrscheinlich auch nächsten Sommer.

    Und die 200 euro sind ja schnell eingespart.


    Nun ist meine Frage , wo platziere ich den Heizstab am besten. Im Oberen Drittel zwischen den Beiden Heizblechen oder im unterem Bereich. Ganz oben ist bei mit leider alles belegt.

    Wenn der Heizstab zwischen den beiden Blechen platziert ist, steigt die Wärme dann trotzdem nach oben ? Ich habe da leider keinerlei Erfahrung.

    Ziel ist es ja erst mal nur den Brenner in den Sommermonaten zu entlasten und maximal viel Energie im Puffer zu Speichern.


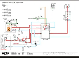
    Hier einmal mein Anschlussschema und das Bild vom Wolf Speicher damit ihr seht was ich meine.


    LG Sebastian

    So ein kleines Update.

    Die Heizung läuft und macht Warmwasser.

    Ich habe eine kleine Automation übe mein Homeassistant gebaut und insgesamt 10 Temperaturfühler verbaut um die Anlage zu überwachen.


    Es fehlt jetzt nur noch ein Shelly, der automatisch meine HK Pumpe schaltet wenn ich das möchte bzw. eine bestimmte Temperatur erreicht ist und dann funktioniert das ganze erst mal zumindest so lange der Brenner noch hält.

    Außerdem wurden leider die Schwerkraftbremsen vergessen.


    Alle Sicherheitsrelevanten Teile sind Original und nicht verbastelt, unterbrochen oder modifiziert.


    Ich denke also mit einem minimalaufwand an kosten ist das erst mal ok, wenn auch nicht besonders effizient.

    Aber es kommt ja in absehbarer Zeit ein Wärmeerzeuger von Wolf oder halt die WP.

    Schauen wir mal was das nächste Jahr bringt.


    Danke euch für eure Hilfe

    Achso sorry.

    Ja klar.

    Dieser Mischer ist verbaut.

    Der nimmt einmal für den rechten heizkreis Wasser aus ca. Zwei drittel Höhe des Puffer und gibt es da auch wieder zurück.


    Der linke heizkreis ist für die FBH nimmt aus der gleichen Höhe Wasser und gibt es unten in den Puffer um die Schlichtung bei zu halten.


    Beide sind natürlich geregelt über Vorläuferfühler und haben ein Maxthermostat verbaut. Ich denke so heißt bei Wolf das Stb.

    Der Puffer darf theoretisch bis 90 Grad hoch fahren z.B. Über den Wassergeführten Kamin oder einen Heizstab.

    Das läuft alles über das System von Wolf.

    Warmwasser kommt aus einer Frischwasserstation aus dem Puffer (BSP w 1000 b)

    HK1 FBH kommt aus dem Pufferspeicher

    HK2 für den Keller kommt auch aus dem Pufferspeicher


    Das System läuft auch sehr gut.

    Vor allem wen mal die WP von Wolf nach Hydraulikschema von Wolf irgendwann kommt.

    Der Ölkessel befeuert nur dne Speicher. Oben für warm Brauchwasser unten für kalt Fbh.

    Ich kann nichts zurück bauen.

    Warm Wasser geht jetzt und bleibt oben im Speicher.

    Die Heizung bleibt halt aus, auch wenn die FBH a fordert. Woher soll er das jetzt auch wissen.

    Wir haben das Haus hakt so gekauft.

    Die Steuerung war defekt und Warmwasser hat er immer dauerhaft in den Kessel geschoben, da die WW Pumpe ja auch direkt an 230V hing

    Das ding muss Öl ohne Ende gefressen haben.

    Entweder ich bekomme das jetzt irgendwie hin oder ich muss ne Wärmepumpen von Wolf für 10k einbauen. Das habe wir aber einfach nicht mehr über die nächsten 2 Jahre. Geschweige den PV Geld.

    Ich mach erst mal das Dach jetzt neu vorm Winter.

    Kann ja jetzt nicht das Haus deswegen verkaufen.

    Ist halt kacke aber so isses halt grade.


    Das wäre dann wohl so per original wolf Plan das was am ehesten passt auf unsere vorhanden Komponenten.

    Ok

    Pumpe springt ab Taupunkt Überschreitung an.


    Nun weiter warum kann das nicht geregelt werden?

    Was fehlt?

    Warmwasser hat ja einen Fühler, dort stelle ich 50 grad ein dann geht der Kessel aus. Super soweit?


    Der untere Teil ist ja für die Heizung dort will ich das der Kessel erst ab 40 Grad anspringt. Bzw was ich dann halt brauche.

    Wie kriege ich das der Heizung vermittelt? Man kann den Kessel ja auch mit solar betreiben. Das muss mann doch für nen Kamin ummünzen können. Es passiert ja eig nichts anderes.

    Der Kessel soll anspringen wenn Kamin aus bzw temp unter dem eingestellten Wert.

    Wie bekomme ich Ölkessel, WW und Wassergeführten Kamin in Einklang?

    Das passt auch soweit.

    Warmwasser hab ich auf 55 eingestellt und der Fühler im Speicher mist korrekt bzw plausibel.


    Hier mal die ganze Anlage :

    Ölbrenner mit :

    Warmwasser an dem mal ein alter WWSpeicher angeschlossen war ( Fühler am höchsten Punkt im Speicher

    Ölbrenner der jetzt nicht mehr direkt in die Heizung sondern in den Speicher läuft ( Fühler aus Kessel in Höhe von Vorlauf Heizung im Speicher )

    Wolf BSP W-1000-B ohne Solar

    Wolf Frischwasserstation FWS-2-80 mit Zirkulation

    Wolf MM einmal für die FBH und der zweite Kreis für radiatoren im Keller beide per BM2 verbunden


    Wassergeführter Kamin mit TempDifferenzsteurung und Rücklaufnahebung ( Vorlauf ganz oben Rücklauf ganz unten am Speicher )

    Pumpen gibt es :

    - WW im Vorlauf direkt hinter dem Brenner vom Brenner angesteuert

    - HKP im Vorlauf direkt hinter dem Brenner vom Brenner angesteuert

    - Wolf : Zirku, HK1, HK2, WW

    - Wassergeführter Kamin Ladepumpe an Rücklaufanhebung

    Wo was wie rein oder raus geht sollte im Foto ersichtlich werden wenn man weit genug Zoomen kann.

    Ist scheiße aber damit muss ich jetzt nun mal arbeiten.


    Hilft das schon mal oder braucht ihr mehr Infos ?

    Das ganze wird sobald das Dach neu ist noch um einen Heizstab ergänzt und wenn der Ölbrenner den Geist aufgibt, soll mal irgendwann eine WP kommen. Dafür sollte ja alles vorbereitet sein.

    Sooo

    Der brenner läuft. Alles wird warm aber :

    Leider steht als hydraulisches schema unter Menüpunkt 53 die Nummer 23, das habe ich aber nicht und ich kann das auch nicht ändern.

    Wenn ich unter Menüpunkt 51 Funktion 4 auswähle geht die Pumpe für Warmwasser an.

    Leider springt sie im betreibe nicht an.

    Die beiden Problem müsste ich jetzt noch mit euch lösen und die ganze Heizung einmal richtig einstellen.

    Bekommen wir das auch noch hin?


    Danke euch schon mal.

    Lg Sebastian

    So ein große Update.

    Der stb schaltet nicht durch.

    Wenn ich den Brücke springt der Brenner an. Länger als ne Minute will ich ihn aber nicht laufen lassen.

    Der stb ist sich bei beiden Steuerung defekt.

    Wo bekomme ich Ersatz her?

    Danach könnte man sich um die Parameter kümmern.

    Diese Sicherheitskette, darf weder manipuliert oder außer Funktion gesetzt werden:!:

    Upsi eben erst gelesen. Zählt eine Minute zum schauen ob er zündet schon dazu? Aber selbstredent wird hier nicht die Sicherheitsrelevanteste Funktion des Brenners dauerhaft manipuliert.

    Keine Lust auf 100 Grad im Speicher

    Also ich habe jetzt alles zurück getauscht und es geht nichts. Es wird auch keine Spannung zwischen l1 und n am Stecker zum brenner runter geschaltet.

    Die Feinsicherung auf der Platine ist aber in Ordnung.

    Wie schaltet der stb denn Spannung durch?

    Ich habe nur auf einem von den drei Kabeln Strom anliegen.

    Wie meinst du das mit t1 und t2?

    Von wo nach wo muss ich da messen.

    Man muss das Ding doch zum Laufen bekommen :)

    Es bleibt spannend

    Vielen dank auf jeden Fall schon mal für die Hilfe.


    LG Sebastian

    Hmm also er erkennt unter punk 53 das ich Schema 23 habe. Ich denke aber eigentlich habe ich schema 1 die Anleitung ist aber auch für eine Eurocontrol kmm.

    In den Anleitung steht er erkennt das Schema automatisch ich kann dort auch nichts verstellen.


    Außerdem springt der Brenner auch bei beiden Schaltern nach unten nicht an.

    Wenn ich den ST drücke passiert nichts. Als ob da nichts zu drücken ist.

    Hier mal die beiden Bilder.

    Ich hatte erst die komplette oberer Einheit getauscht.

    Dann habe ich den linken Teil zurück getauscht in der Hoffnung das es geht.

    Es ist jetzt also nur die Eurocontrol neu.

    Den Stecker hinten auf der Eurocontrol mit dem ganzen Brücken habe ich mit getauscht. Und sonst allles genau so angeschlossen wie es vorher auch verdrahtet war.

    Habe extra vorher nachher Fotos gemacht und mir alle Kabel markiert. Den Schaltplan habe ich auch kontrolliert und alle Pumpen und Fühler liegen auf den richtigen Ausgängen.

    In einer Std bin ich im Haus, kontrolliere den Stb und die Parameter.

    Zum "neuem" Hydraulikschema der Anlage wurde ich aber einen extra threads erstellen. Ich glaube das wird noch mal echt kompliziert.

    Das ist eine gute Frage. Aber nein ich hab nichts geändert.

    Konnte ja aber auch aus der alten Steuerung nichts mehr abschreiben, da sie nichts angezeigt hat.

    Ich finde aber auch keine Anleitung wo die ganzen Parameter beschrieben sind.

    Müsste aber mal unabhängig von der Eurocontrol nicht auf Stufe 2 bzw Schalter nach unten die Heizung anspringen?

    Edit :

    https://polo.broetje.de/pdf/zu0094.pdf

    Ok

    Gibt es die Anleitung auch für meine Heizung? Und kann mich da jemand an die Hand nehmen und mir beim Einstellen helfen?

    LG Sebastian

    Moin
    Ich bin Sebastian und neu hier, da ich ein Problem mit unserem Ölkessel hab.
    Wir haben in unserem neuem Haus eine Brötje Ölheizung mit einer Eurocontrol KM Steuerung.
    Die Eurocontrol hat leider nur noch auf allen Tasten gelinkt aber der Brenner lief auf Stufe 2 also Handbetrieb.
    Nun habe ich die Eurocontrol getauscht und sie funktioniert auch.
    Leider springt die Heizung aber nun gar nicht mehr an. Viel mehr Infos habe ich leider nicht zu der Heizung.
    Ich habe mal ein paar Fotos.
    Die ersten sind von der alten Steuerung


    Das ist die neue Steuerung.

    Laufen tut das ganze dann mal vorbereitet für die Wärmepumpe die mal evtl irgednwann kommt über ein Wolf Bsp 1000 w plus Wasser geführten Kamin. Dazu werd bald auch noch einige Fragen aufkommen, aber erst mal muss Wärme ins system.



    Danke euch schon mal
    LG Sebastian