Heizkörperverlängerung: Ist das machbar?

  • Hallo zusammen,

    Ich habe einen vorhandenen Heizkörper in einem Raum und möchte einen neuen Heizkörper im angrenzenden Raum installieren, genau dahinter. Ich habe ein kleines Bild gemacht, um zu veranschaulichen, was ich tun möchte. Die Idee ist, anstatt neue Rohre bis zum Keller vom Boden aus zu verlegen, einfach die aktuellen Rohre, die mit dem vorhandenen Heizkörper verbunden sind, zu verlängern, zwei Löcher in die Wände zu machen und diese einfach mit den Vor- und Rücklaufrohren zu verbinden.

    Würde das funktionieren? Gibt es etwas, das ich hier übersehe?

    Vielen Dank!

    Sebastian


  • Hey Sven,

    danke für deine Antwort! Die Rohre zu den Heizkörpern sind aus PE (Plastik) und nicht aus Kupfer. Gilt diese Faustregel auch für Kunststoffrohre? Die Rohre vom Heizsystem sind aus Kupfer und haben die Größe 3/4". Warum das so gebaut wurde, weiß ich nicht.

    Vielen Dank!

    Sebastian

  • Hallo Sebastian,

    ich gehe mal davon aus das die Kupferrohre an der Heizung einen Durchmesser von 22mm hat, ist aber eigentlich auch egal. PE oder auch Verbundrohre haben meist einen kleiner Innendurchmesser wie Kupferrohre. Wie groß sollen den beide Heizkörper werden am Ende und was für einen Durchmesser und Wandstärke haben die Rohre?

    Grüße Sven

  • Hallo Sven,

    Danke für deine Antwort. Das PE-Rohr sollte etwa 15 mm sein. Der neue Heizkörper wäre ein 500x400 Typ 33. Der bestehende Heizkörper auf der anderen Seite der Wand ist derzeit ein 600x500 Typ 22. Siehst du da irgendwelche Probleme? Übrigens, eine Sache habe ich vergessen zu fragen: Ich plane, eine solche Kupplung zu verwenden, würdest du eine andere Empfehlung haben?

    Vielen Dank!

    Sebastian

  • Hallo Sebastian,

    der Heizkörper 600X500 Typ22 hat eine Leistung von ca. 0,7KW und der Heizkörper 500X400 Typ33 hat ebenfalls eine Leistung von ca. 0,71KW. Also kommst du auf max 1,5KW und das sollte eigentlich funktionieren.

    Da ich nicht weiß was du für ein Rohr du genau hast kann ich dir zur Kupplung nichts sagen.

    Grüße Sven

  • Hallo Sven,

    Ich habe ein Bild von dem Rohr gemacht. Auf der Kupplung kann ich FFtherm II 14 mm lesen. Es ist also wahrscheinlich, dass die Rohre von diesem Hersteller stammen? https://www.fraenkische.com/de-DE/product/…kunststoffrohre

    Mit diesen Infos, hättest du einen Vorschlag, wie ich mein Projekt umsetzen und beide Rohre verlängern kann, damit ich meinen anderen Heizkörper anschließen kann?

    Vielen Dank!

    Sebastian

  • Hallo Sebastian,

    mit einem PE Rohr 14x2mm hast du nur noch ein Querschnitt von 10mm was knapp wird. Ob das Funktioniert möchte ich nicht sicher sagen. Du könntest aber die Übergänge unter den Link nutzen!

    Mit dem Kauf bei Amazon über diesen Link, erhalte wir eine kleine Provision um Heizungsfragen zu finanzieren, Danke!

    Hast du im Haus Fußbodenheizung, oder warum ist das solch ein Rohr verbaut?

    Grüße Sven

  • Hallo Sven,

    > mit einem PE Rohr 14x2mm hast du nur noch ein Querschnitt von 10mm was knapp wird.

    Das Problem wäre also mit dem Volumenstrom?

    > Hast du im Haus Fußbodenheizung, oder warum ist das solch ein Rohr verbaut?

    Keine Fußbodenheizung, soweit ich weiß. Das Haus hat nur Heizkörper und der Verteiler ist nicht der, der für die Fußbodenheizung verwendet wird. Ich habe keine Ahnung. Das Haus ist aus den 90er Jahren und wir sind erst vor 3 Jahren eingezogen. Im Keller gibt es nur Kupferrohre. Ist das wirklich ungewöhnlich?

    VG,

    Sebastian

  • Hallo Sebastian,

    ja mit dem Rohr das könnte knapp werden und der Volumenstrom könnte nicht ausreichen wenn beide Heizkörper heizen. Ich möchte dir daher nichts falsches versprechen.

    Das ist nicht wirklich ungewöhnlich. Kupferrohr geht bis zum Verteiler in die Etagen und von dort hat dann jeder Heizkörper seinen eigenen Anschluss.

    Grüße Sven

  • Hallo Sven,

    Ich habe viel darüber nachgedacht und denke, ich werde ein Loch durch die Kellerdecke machen (die Decke ist nur 30 cm dick) und neue Leitungen an die Hauptheizungsrohre anschließen. Ich denke, das ist wahrscheinlich die sicherste Methode, um einen guten Volumenstrom zu garantieren.

    Dazu habe ich 2 Fragen.

    1. Sollte ich deiner Erfahrung nach auch Kunststoffrohre für den Anschluss an die Kupferrohre verwenden oder für diese neuen Rohre auf Kupfer umsteigen? Ich möchte die Kosten so gering wie möglich halten und wenn möglich nicht zu sehr auf Pressmaschinen angewiesen sein, da diese für die tägliche Miete sehr teuer sind da ich sehr langsam arbeite und mir Zeit nehme, um sicherzustellen, dass alles richtig gemacht wird).

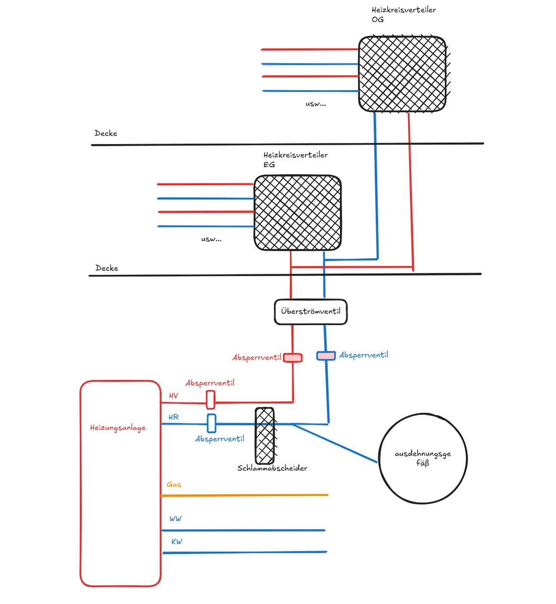
    2. Ich habe eine Zeichnung der aktuellen Rohrleitung von der Heizungsanlage zu den Verteilern angefertigt. Im Frühjahr werde ich mit der Renovierung der Heizkörper beginnen. Ich möchte mir Zeit lassen und nicht unter Druck arbeiten, deshalb ist es wichtig, dass das Trinkwasser noch erwärmt wird. Meine Frage ist, wenn ich an jedem Verteiler die VL- und RL- Absperrventile zudrehe, reicht das aus, damit die Heizungsanlage nur noch im Trinkwasserbetrieb funktioniert oder fällt der Druck so stark ab, dass die Heizungsanlage ausfällt? Hast du eine andere Idee, wie ich das machen kann, ohne dass ich die Heizung während der Renovierung ganz ausschalten muss?

    Vielen Dank!

    Sebastian


  • Hallo Sebastian,

    ich bin ein Freund von Kupfer bei Heizkörper, daher würde ich die Heizkörper mit Kupferrohr anschließen. Aber im Grunde ist das nicht so wichtig, wichtiger ist das du das Material gut verarbeiten kannst.

    Ich würde die Heizung entleeren, die Ventile unter dem Überströmventil schließen und dann die Anlage für den warm Wasserbetrieb wieder füllen bei geschlossenen Ventilen. Das Überströmventil sollte übrigens raus, wenn du eine geregelte Heizkreispumpe hast.

    Grüße Sven

  • Hallo Sven,

    Die aktuelle Heizkreispumpe ist die Standard-Heizkreispumpe, die mit dem Broetje BBK 22D geliefert wurde. Schadet es etwas, wenn das Überströmventil bleibt, oder meinst du, es ist besser für die Effizienz der Gastherme, es loszuwerden?

    vielen Dank

    Sebastian

  • Hallo Sven,

    vielen Dank für die Antwort. Nur um sicherzugehen: Der Umbau besteht einfach darin, die Rohre auf beiden Seiten zu durchtrennen, das Überströmventil zu entfernen und die Abschnitte zu zwei getrennten, unabhängigen Rohren zu verbinden, ohne dass weitere Änderungen am System nötig sind? Ist dies etwas Dringendes oder hat es Zeit?

    vielen Dank

    Sebastian